天堂…中文在线最新版在线丨欧美性开放情侣网站丨亚洲综合激情五月丁香六月丨欧美大片aaaaa免费观看丨亚洲va在线va天堂va欧美va

歡迎光臨上海志榮品牌地磅廠家直銷官方網站!這里提供24h地磅價格咨詢!

關于我們|生產圖冊|資料下載|企業招聘|網站地圖| 2025年09月03日 星期三

全國熱線: 021-60712992
13764840109
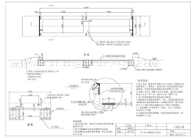
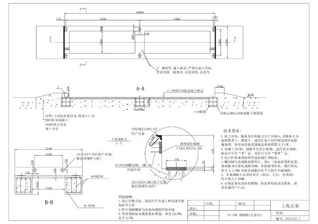
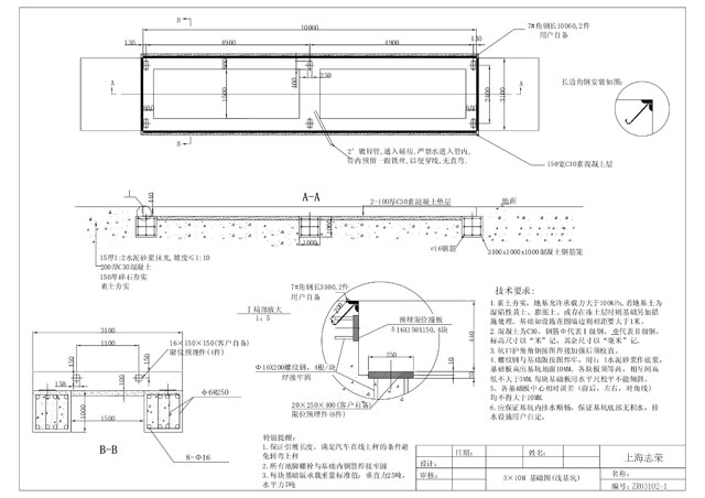
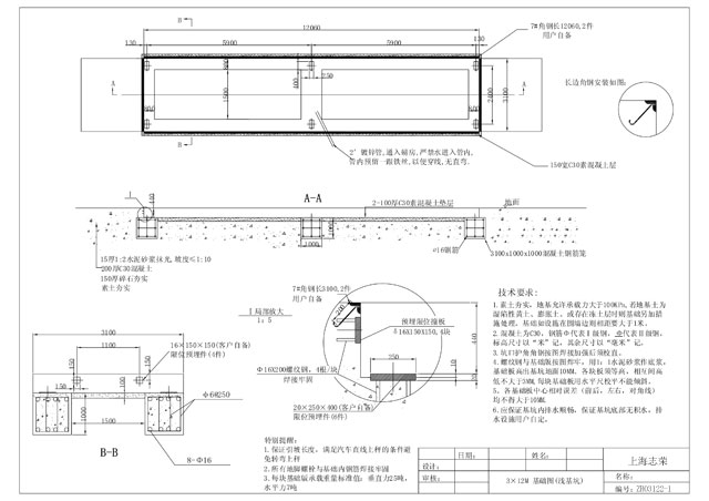
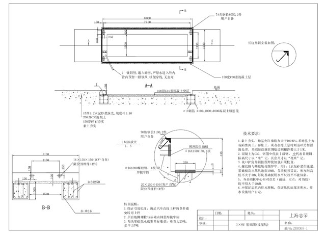
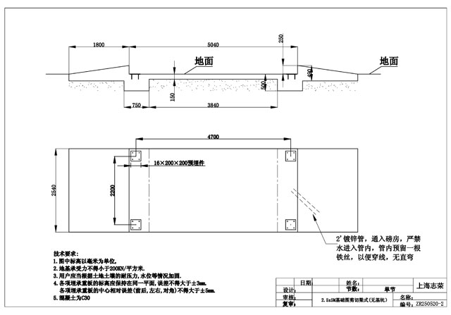
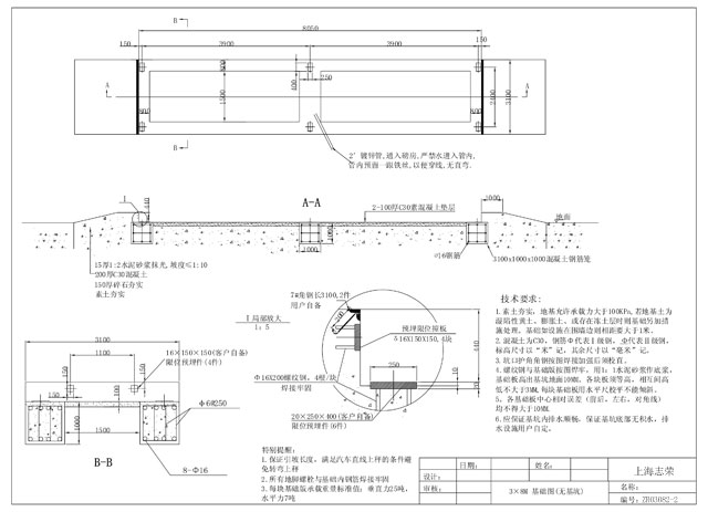
當前位置: 首頁>公司簡介>資料下載|地磅安裝基礎圖pdf源文件_資料下載-上海志榮地磅廠家
聯系我們
上海志榮電子科技有限公司

公司電話:021-60712992

公司傳真:021-60712852

企業QQ:2355555994

公司地址:上海市嘉定區德富路1199號